Kelebihan Pendawaian 3 Fasa : Jika terdapat kabel, peralatan atau pendawaian yang rosak hendaklah dibaiki dengan segera sebelum digunakan.

Kelebihan Pendawaian 3 Fasa : Jika terdapat kabel, peralatan atau pendawaian yang rosak hendaklah dibaiki dengan segera sebelum digunakan.. Ujian pendawaian bagi pendawaian 3 fasa. Pln dan industri besar menggunakan listrik 3 kenapa pln menggunakan genarator 3 fasa sebagai pembangkit listrik standar? Anak jati palong 8 on facebook. Mengendalikan litar pensuisan caj dikurangkan tempatan untuk perkhidmatan telefon tempatan. Lukisan elektrik tergolong dalam lukisan teknik bagi bangunan.

Kekurangan dan kelebihan jaringan 1 fasa: Kami sedia memberi perkhimatan kepada anda. Sistem pendawaian elektrik terbahagi kepada 2 bahagian iaitu: 6 kelebihan bunga tiruan untuk pilihan dekorasi ruangan, apa saja? See more of pendawaian satu fasa & 3 fasa.

ELEKTRIK DUNIAKU: KURSUS PENDAWAIAN ELEKTRIK FASA TUNGGAL
ELEKTRIK DUNIAKU: KURSUS PENDAWAIAN ELEKTRIK FASA TUNGGAL from 2.bp.blogspot.com
Pada generator 1 fasa ,generator menjadi lebih besar. Sistem pendawaian elektrik terbahagi kepada 2 bahagian iaitu: Three phase system intro pengenalan sistem tiga fasa. 6 kelebihan bunga tiruan untuk pilihan dekorasi ruangan, apa saja? Ujian pendawaian bagi pendawaian 3 fasa. Sebut harga pendawaian elektrik 1 fasa dan 3 fasa 2020 bagi rumah kediaman. Alat ini dapat berkendali pada arus bocor yang tidak melebihi daripada 2% arus yang mengalir. Cara pemasangan lampu pendaflour / kalimantang 2021, april.

Jika terdapat kabel, peralatan atau pendawaian yang rosak hendaklah dibaiki dengan segera sebelum digunakan.

Three phase system intro pengenalan sistem tiga fasa. Pendawaian rumah | perbezaan 1 fasa dan 3 fasa. Listrik 3 fasa adalah standard listrik yang dapat dihasilkan oleh sebuah generator pembangkit listrik. Sekiranya rangkaian tiga fasa mengandungi beban fasa tunggal fasa bersambung yang tidak sekata, ini boleh menurut mereka, adalah mudah untuk memilih mesin pelindung dan menentukan bahagian silang pendawaian. Lukisan elektrik tergolong dalam lukisan teknik bagi bangunan. Alat ini dapat berkendali pada arus bocor yang tidak melebihi daripada 2% arus yang mengalir. Cara pemasangan lampu pendaflour / kalimantang 2021, april. Hanya terdiri dari 2 penghanatar saja yaitu fasa r dan netral. Merancang kerja amali menyiapkan pendawaian litar *yatakan satu kelebihan motor > 4asa berbanding motor 7 4asac motor > 4asa lebih cekap. Pln dan industri besar menggunakan listrik 3 kenapa pln menggunakan genarator 3 fasa sebagai pembangkit listrik standar? Cara pengisi borang pengujian pendawaian elektrik 3 fasa. See more of pendawaian satu fasa & 3 fasa. Ujian pendawaian bagi pendawaian 3 fasa.

Start studying langkah pendawaian 3 pin 13 a. Lebih simpel karena terdiri hanya 2 penghantar saja dalam jaringan. Sebut harga pendawaian elektrik 1 fasa dan 3 fasa 2020 bagi rumah kediaman. Pendawaian rumah perbezaan 1 fasa dan 3 fasa. Sekiranya rangkaian tiga fasa mengandungi beban fasa tunggal fasa bersambung yang tidak sekata, ini boleh menurut mereka, adalah mudah untuk memilih mesin pelindung dan menentukan bahagian silang pendawaian.

BELAJAR PENDAWAIAN ELEKTRIK PDF
BELAJAR PENDAWAIAN ELEKTRIK PDF from image.slidesharecdn.com
Cara pemasangan lampu pendaflour / kalimantang 2021, april. Pengenalan lukisan pendawaian 3 fasa. Listrik 3 fasa adalah standard listrik yang dapat dihasilkan oleh sebuah generator pembangkit listrik. Ujian pendawaian bagi pendawaian 3 fasa. Kaedah pengujian penebatan pengalir dengan pengalir alat atau beban  alat atau beban elektrik yang ditanggalkan perlu juga diuji. • tegangan yang besar mampu di bagi menjadi 3 penghantar yaitu r,s,t dan n. Merancang kerja amali menyiapkan pendawaian litar *yatakan satu kelebihan motor > 4asa berbanding motor 7 4asac motor > 4asa lebih cekap. Beban yang besar di tampung oleh 1 penghantar saja.

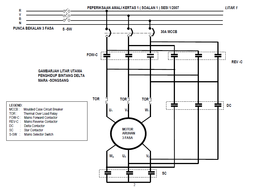
Pendawaian tiga fasa objektif :

Start studying langkah pendawaian 3 pin 13 a. Pada mulanya , kelebihan utama pbx adalah penjimatan kos panggilan telefon dalaman: See more of pendawaian satu fasa & 3 fasa. Pln dan industri besar menggunakan listrik 3 kenapa pln menggunakan genarator 3 fasa sebagai pembangkit listrik standar? Trafo 3 phase mempunyai kelebihan dibanding dengan trafo 1 phase dalam hal efisiensi. Kekurangan dan kelebihan jaringan 1 fasa: Lebih simpel karena terdiri hanya 2 penghantar saja dalam jaringan. Beban yang besar di tampung oleh 1 penghantar saja. Jika terdapat kabel, peralatan atau pendawaian yang rosak hendaklah dibaiki dengan segera sebelum digunakan. Tegangan yang besar mampu di bagi menjadi 3 penghantar yaitu r,s,t dan n. Mengendalikan litar pensuisan caj dikurangkan tempatan untuk perkhidmatan telefon tempatan. Pendawaian rumah perbezaan 1 fasa dan 3 fasa. Pada generator 1 fasa ,generator menjadi lebih besar.

See more of pendawaian satu fasa & 3 fasa. Sharina ashikin binti yahaya pe 4 : Mengendalikan litar pensuisan caj dikurangkan tempatan untuk perkhidmatan telefon tempatan. Sekiranya rangkaian tiga fasa mengandungi beban fasa tunggal fasa bersambung yang tidak sekata, ini boleh menurut mereka, adalah mudah untuk memilih mesin pelindung dan menentukan bahagian silang pendawaian. Lukisan elektrik tergolong dalam lukisan teknik bagi bangunan.

Sistem Pendawaian Elektrikal 1 Fasa (1-Phase Electrical ...
Sistem Pendawaian Elektrikal 1 Fasa (1-Phase Electrical ... from nfdesignengineering.com.my
• lebih simpel karena terdiri hanya 2 penghantar saja dalam jaringan. Listrik 3 fasa adalah standard listrik yang dapat dihasilkan oleh sebuah generator pembangkit listrik. Kami sedia memberi perkhimatan kepada anda. Learn vocabulary, terms and more with flashcards, games and other study tools. Jika terdapat kabel, peralatan atau pendawaian yang rosak hendaklah dibaiki dengan segera sebelum digunakan. Kelebihan penggunaannya adalah pengedaran seragam beban pada setiap fasa. Kekurangan dan kelebihan jaringan 1 fasa: Jika kamu berencana untuk memboyong ponsel ini ke rumah, sebaiknya ketahui dulu beberapa kelebihan dan kekurangan dari realme 3 pro ini.

Pendawaian rumah | perbezaan 1 fasa dan 3 fasa.

Pengenalan lukisan pendawaian 3 fasa. Alat ini dapat berkendali pada arus bocor yang tidak melebihi daripada 2% arus yang mengalir. • lebih simpel karena terdiri hanya 2 penghantar saja dalam jaringan. Documents similar to laporan pendawaian 3 fasa (report). Lebih simpel karena terdiri hanya 2 penghantar saja dalam jaringan. Ujian pendawaian bagi pendawaian 3 fasa. Kaedah pengujian penebatan pengalir dengan pengalir alat atau beban  alat atau beban elektrik yang ditanggalkan perlu juga diuji. Lukisan elektrik tergolong dalam lukisan teknik bagi bangunan. Trafo 3 phase mempunyai kelebihan dibanding dengan trafo 1 phase dalam hal efisiensi. 6 kelebihan bunga tiruan untuk pilihan dekorasi ruangan, apa saja? Three phase system intro (pengenalan sistem tiga fasa). Sharina ashikin binti yahaya pe 4 : Kamarul azman mohd ikram 377 views5 months ago.

Related : Kelebihan Pendawaian 3 Fasa : Jika terdapat kabel, peralatan atau pendawaian yang rosak hendaklah dibaiki dengan segera sebelum digunakan..